ترمزهای الکترومغناطیسی از اجزای حیاتی در سیستمهای صنعتی هستند که ایمنی و دقت عملکرد تجهیزات را تضمین میکنند. شرکت انارک ترکیه ، یکی از پیشروترین تولیدکنندگان تجهیزات صنعتی، گیربکسها و الکتروموتورهای پیشرفته در سطح جهانی، با ارائه ترمز الکترومغناطیسی تیپ ENR-07، محصولی با کیفیت و کارآمد را به بازار عرضه کرده است. این ترمز با طراحی مدرن، مواد مقاوم و عملکرد قابل اعتماد، برای پاسخگویی به نیازهای متنوع صنایع طراحی شده و گزینهای ایدهآل برای کاربردهای صنعتی محسوب میشود.جهت خرید قطعات صنعتی تا انتها مطلب با ما همراه باشید.

ترمز الکترومغناطیسی تیپ ENR-07
مشخصات فنی ترمز الکترومغناطیسی تیپ ENR-07
ترمز الکترومغناطیسی تیپ ENR-07 با ویژگیهای فنی دقیق و کاربردی طراحی شده که آن را برای استفاده در سیستمهای صنعتی مناسب میسازد. مشخصات کامل این محصول به شرح زیر است:
- جنس بدنه: ساختهشده از آلیاژ فولاد فورجشده برای استحکام و دوام بالا.
- گزینههای ولتاژ: پشتیبانی از ولتاژهای 24V DC، 98V DC، 180V DC، 220V AC و 380V AC برای انعطافپذیری در سیستمهای مختلف.
- کلاس حرارتی: کلاس H با توانایی تحمل دمای تا 180 درجه سانتیگراد برای عملکرد در شرایط سخت.
- کلاس حفاظتی: طراحی کاملاً بسته با استاندارد IP65 برای مقاومت در برابر گرد و غبار و رطوبت.
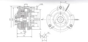
ابعاد کلی:
- قطر خارجی: ۲۲۰ میلیمتر
- قطر فلنج: ۱۹۶ میلیمتر
- قطر داخلی: ۱۷۵ میلیمتر
- قطر شفت: ۱۰۸ میلیمتر
- فاصله فلنج: ۹۱ میلیمتر
- فاصله نصب: ۵۹ میلیمتر
- عرض کلی: ۲۰۵ میلیمتر
- طول فلنج: ۷۸ میلیمتر
- فاصله پیچها: ۲ تا ۲.۵ میلیمتر
- عرض بدنه: ۲۷ میلیمتر
- قطر کلی استاتور: ۱۹۴ میلیمتر
- طول شفت: ۲۵ میلیمتر
- فاصله نصب پیچ: ۴۲ میلیمتر
- اندازه پیچها: ۸ تا ۱۲ میلیمتر
- ابعاد سوراخهای نصب: ۶ سوراخ با قطر ۵ میلیمتر
- ابعاد سوراخهای جانبی: ۲ سوراخ با ابعاد ۵.۵ میلیمتر
- ضخامت بدنه: ۰.۴۰ میلیمتر
- نصب سریع: امکان اتصال آسان به موتور با استفاده از کاور مناسب.
- تنظیم فاصله هوایی: قابلیت تنظیم ساده فاصله هوایی برای بهینهسازی عملکرد.
- پوشش قطعات: استفاده از پوششهای ویژه برای کارکرد ایمن در دماهای بسیار پایین و بالا.
- مصرف انرژی بهینه: طراحی برای کاهش مصرف انرژی هنگام آزادسازی بالاتا.
این مشخصات، ترمز الکترومغناطیسی (DC) دینامیک موتور ENR-07 را به گزینهای کارآمد و قابل اعتماد برای موتورهای صنعتی تبدیل کرده است.

مشخصات ترمز الکترومغناطیسی تیپ ENR-07
موقعیتهای نصب و استفاده ترمز الکترومغناطیسی تیپ ENR-07
ترمز الکترومغناطیسی تیپ ENR-07 بهگونهای طراحی شده که نصب آن در موقعیتهای مختلف به سادگی انجام شود. این ترمز معمولاً بهطور مستقیم بر روی فلنج انتهایی موتور نصب میشود و با استفاده از پیچهای اتصال به بدنه موتور متصل میگردد.
طراحی جمعوجور آن با قطر خارجی ۲۲۰ میلیمتر و عرض کلی ۲۰۵ میلیمتر، امکان استفاده در فضاهای محدود را فراهم میکند. این محصول برای موتورهایی که نیاز به توقف سریع و ایمن دارند، مانند موتورهای خطوط تولید یا ماشینآلات صنعتی، بسیار مناسب است . جهت خرید الکتروموتور صنعتی با کارشناسان واحد فروش ما در تماس باشید.
پشتیبانی از ولتاژهای متنوع، استفاده از این ترمز را در سیستمهای الکتریکی مختلف ممکن میسازد. برای دستیابی به بهترین عملکرد، تنظیم دقیق فاصله هوایی (بین ۲ تا ۲.۵ میلیمتر) در هنگام نصب ضروری است.
طراحی و ساختار بدنه ترمز الکترومغناطیسی تیپ ENR-07
ترمز الکترومغناطیسی تیپ ENR-07 با استفاده از آلیاژ فولاد فورجشده طراحی شده که مقاومت بالایی در برابر فشارهای مکانیکی و تغییرات دمایی ارائه میدهد. اجزای اصلی این ترمز شامل موارد زیر است:
- بوبین: برای ایجاد میدان مغناطیسی جهت آزادسازی ترمز.
- فلنج اتصال: با قطر ۱۹۶ میلیمتر برای نصب محکم به موتور.
- بالاتا: برای ایجاد اصطکاک و توقف شفت موتور.
- فنرهای فشاری: اعمال نیروی لازم برای فعالسازی ترمز در حالت خاموش.
- بدنه استاتور: با قطر ۱۹۴ میلیمتر برای محافظت از اجزای داخلی و افزایش استحکام.
طراحی بسته با استاندارد IP65، این ترمز را در برابر نفوذ گرد و غبار و رطوبت مقاوم کرده و برای استفاده در محیطهای صنعتی چالشبرانگیز مناسب میسازد. پوششهای ویژه قطعات، عملکرد ایمن در دماهای بسیار پایین یا بالا را تضمین کرده و دوام محصول را افزایش میدهد.

کاربرد ترمز الکترومغناطیسی تیپ ENR-07
عملکرد و کارایی ترمز الکترومغناطیسی تیپ ENR-07
ترمز الکترومغناطیسی تیپ ENR-07 بر اساس مکانیزم فنر فشاری کار میکند. در حالت بدون جریان، فنرهای داخل بدنه ترمز، فلنج فشاری را به سمت بالاتا هدایت میکنند تا با فلنج موتور تماس برقرار کرده و شفت را متوقف کنند.
با اعمال جریان الکتریکی به بوبین، میدان مغناطیسی ایجادشده، نیروی فنرها را خنثی میکند و بالاتا را آزاد میسازد، در نتیجه شفت موتور آزادانه میچرخد. این فرآیند، توقف سریع و ایمن موتور را تضمین میکند و از خطاهای احتمالی در سیستمهای دیگر جلوگیری مینماید.
واکنش سریع این ترمز به تغییرات جریان و توانایی آن در حفظ عملکرد در دماهای بالا (تا ۱۸۰ درجه سانتیگراد)، کارایی بالای آن را در کاربردهای حساس نشان میدهد.
مزایای ترمز الکترومغناطیسی( DC) ENARC ENR-07
ترمز الکترومغناطیسی تیپ ENR-07 دارای ویژگیهای برتری است که آن را از محصولات مشابه متمایز میکند:
- ایمنی بالا: طراحی بسته با استاندارد IP65 برای عملکرد مطمئن.
- انعطافپذیری ولتاژ: سازگاری با سیستمهای الکتریکی متنوع.
- دوام طولانی: استفاده از مواد مقاوم و پوششهای ویژه برای افزایش طول عمر.
- نصب و تنظیم ساده: کاهش زمان و هزینه نصب با طراحی کاربردی.
- مصرف انرژی کم: بهینهسازی مصرف انرژی در هنگام آزادسازی ترمز.
این مزایا، ترمز الکترومغناطیسی (DC) انارک ENR-07 را به گزینهای رقابتی و قابل اعتماد در بازار تجهیزات صنعتی تبدیل کرده است.
کاربردهای ترمز الکترومغناطیسی تیپ ENR-07
ترمز الکترومغناطیسی تیپ ENR-07 در طیف وسیعی از صنایع که نیاز به کنترل دقیق حرکت موتور دارند، مورد استفاده قرار میگیرد. برخی از کاربردهای کلیدی این محصول عبارتاند از:
- خطوط تولید صنعتی: توقف سریع و ایمن موتورها در ماشینآلات تولیدی.
- جرثقیلها و بالابرها: تضمین ایمنی در سیستمهای بالابری با توقف مطمئن.
- ماشینآلات نساجی: کنترل دقیق حرکت در فرآیندهای تولید پارچه.
- تجهیزات بستهبندی: افزایش دقت در توقف ماشینآلات بستهبندی.
- سیستمهای تهویه و پمپها: مدیریت جریان در موتورهای صنعتی.
این تنوع کاربرد، نشاندهنده انعطافپذیری و قابلیت اطمینان این ترمز در محیطهای صنعتی مختلف است.
سوالات متداول
۱- آیا ترمز ENR-07 برای استفاده در فضای باز مناسب است؟ بله، با استاندارد IP65، این ترمز در برابر رطوبت و گرد و غبار مقاوم بوده و برای محیطهای خارجی مناسب است.
۲- آیا تنظیم فاصله هوایی ترمز نیاز به ابزار خاصی دارد؟ خیر، تنظیم فاصله هوایی با ابزارهای استاندارد و به سادگی قابل انجام است، اما دقت در تنظیم ضروری است.
۳- آیا این ترمز با موتورهای غیراستاندارد سازگار است؟ با توجه به طراحی انعطافپذیر و پشتیبانی از ولتاژهای مختلف، معمولاً با اکثر موتورها سازگار است، اما بررسی فنی توصیه میشود.

نقد و بررسیها
هنوز بررسیای ثبت نشده است.